9段ロッドATU用エレメント
NAR100 ¥オープン
TOPNAR100
暑い🫠
— JJ5QGK (@Jj5Qgk) September 11, 2024
近場の公園でNAR100開設開始
取説チラ見で自分みたいなニューカマー局でも直感的に組み立て可能な作り👀
アルミスペーサーのおかげで好きな所に取付可能
給電ワイヤーが少しギリギリの長さだった、本来ATUもポールに固定しないといけないんだろうな…
とりあえずOMの真似して雨除けしとく pic.twitter.com/2rx4HCBER0
📢NAR100+NAR-HTレンタルサービス開始
— 株式会社ナテック(Natec)【公式】 (@Natec_Japan) April 17, 2025
「あまり販売店に置いてないから現物を見れない」
「実際に商品を見てから決めたい」
の声に少しでもお応えするためレンタルサービス開始致します😀
NAR100https://t.co/CsxfXI2lQd
NAR100+NAR-HT レンタルサービスhttps://t.co/vVBuSuHgZv


5m 9段ロッド
全長(エレメント部伸展時)5mの9段ロッドステンレスエレメントとなります。
エレメント取付方向変更可能(0~90°)
マストに取り付けたままエレメントの方向を変更可能です。 ※取付条件によりできない場合がございます。下記[取付条件]をご参照下さい。
エレメント斜め取付可能
エレメント取付方向は斜めでも運用可能です。 ※取付条件によりできない場合がございます。下記[取付条件]をご参照下さい。
両面取付可能
取付金具は表裏の両面で取り付けが可能です。
幅広いマスト径に対応
サイズ(適合マスト径)が違う2種類のUボルトが付属します。
Uボルト(小):φ22-35
Uボルト(中):φ31-45
電気長を長くする
オプション(別売)の軽量キャパシタンスハットNAR-HTを取り付けると、電気長を長くできます。ハットエレメントは形状記憶合金製約460mmとなります。
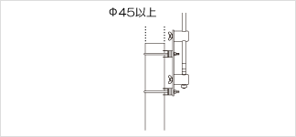
Φ45以上のマストに取り付ける
オプション(別売)のUボルト(大)セットでΦ42-65のマストに対応可能です。
単管パイプ(Φ48.6)にも取付可能です。
仕様
| 周波数 | 接続するチューナーによる |
| 全長(エレメント部伸展時) ※1 | 約5000mm |
| 全長(エレメント部収縮時) | 約690mm |
| 重量 ※2 | 約1000g |
| 適合マスト径 |
Uボルト(小):φ22-35 ※3 Uボルト(中):φ31-45 ※4 Uボルト(大):φ42-65 ※5 |
| 給電ワイヤー長 ※6 | 約1000mm |
| ハットエレメント ※7 | 形状記憶合金製 約460mm |
|
※1 最大 ※2 取付金具含む Uボルト(中)使用時 ※3 Uボルト(小):弊社製品U35 φ32-35はアルミスペーサー使用不可 ※4 Uボルト(中):弊社製品U45 φ42-45はアルミスペーサー使用不可 ※5 オプション(別売)Uボルト(大)セットNAR-US65使用時:φ42-65 φ62-65はアルミスペーサー使用不可 ※6 片側圧着端子付属 反対側(圧着端子が付属していない)は、接続するアンテナチューナーに合わせ加工して下さい。 ※7 オプション(別売)キャパシタンスハットNAR-HTのエレメント |
|
接続構成例
取付条件
| 取付条件1:マストに取り付けたまま、エレメント取付方向を変更できる取付条件 | ||
|---|---|---|
| Uボルト(小) | φ22-26 | ・Uボルトとアルミスペーサー1個 |
| φ27-31 |
[19mm以下] ・Uボルトのみ ・Uボルトとアルミスペーサー1個 [20mm以上] ・Uボルトとアルミスペーサー1個 |
|
| φ32-35 |
[19mm以下] ・Uボルトのみ |
|
| Uボルト(中) | φ31-35 | ・Uボルトとアルミスペーサー1個 |
| φ36-41 |
[19mm以下] ・Uボルトのみ ・Uボルトとアルミスペーサー1個 [20mm以上] ・Uボルトとアルミスペーサー1個 |
|
| φ42-45 |
[19mm以下] ・Uボルトのみ |
|
| Uボルト(大) | φ42-50 | ・Uボルトとアルミスペーサー3個 ※1 |
| φ51-55 | ・Uボルトとアルミスペーサー2個 | |
| φ56-61 | ・Uボルトとアルミスペーサー1個 | |
| φ62-65 | [19mm以下] ・Uボルトのみ |
|
|
※ [19mm以下]/[20mm以上]は上側コの字金具の上端からのマスト先端の長さ ※ Uボルト(小・中)は付属 Uボルト(大)はオプション(別売)Uボルト(大)セットNAR-US65 ※ コの字金具は全てにおいて使用 ※ アルミスペーサーは1箇所に対しての数(合計4箇所) ※1 本製品(NAR100)付属のアルミスペーサー×4と、オプション(別売)Uボルト(大)セットNAR-US65のアルミスペーサー×8を併用 |
||
| 取付条件2:エレメント斜め運用取付条件 | ||
|
エレメントホルダーA・Bいずれかを、上図(取付条件2左図)位置に固定しての運用を推奨致します。 エレメントホルダーA・Bが近い位置(取付条件2右図)で固定して運用すると、エレメントを支える強度が弱くなってしまいます。エレメントを伸ばした際に破損の恐れがございます。 |
||
取付金具外観図
オプション
| NAR-HT | キャパシタンスハット | ¥オープン |
| NAR-US65 | Uボルト(大)セット(2ケ入) | ¥オープン |
注意
本製品はアンテナチューナーに接続するためのエレメントとなります。本製品単体では運用できません。
落下、転倒、破損等に充分注意してご使用下さい。ロッドエレメントに歪み、変形が生じるとしまい込みができなくなる可能性がございます。
アンテナチューナーのアース端子に必ず良好なアースを接続してご使用下さい。不十分だとアンテナインピーダンスがチューナーの整合範囲外になります。
オートマチックアンテナチューナーは、エレメント長が(給電ワイヤーも含め)1/2λの整数倍に近いとエレメントのインピーダンスが高くなり、チューナーの整合範囲を超えてしまう製品が多いのでご使用になるチューナーの性能をご確認の上お使い下さい。
エレメントを伸ばす時は破損を避けるため、先端エレメントより伸ばして下さい。又、縮める時は、下部のエレメントより順に縮めて下さい。
三脚等でご使用になる場合は、転倒しないようにステーを張ってお使い下さい。
ベランダ等でご使用になる場合は、運用時のみ伸ばしてご使用下さい。又、落下しないように注意して下さい。エレメントをロープ等で結んでおくと、最悪の場合でも落下しなくてすみます。